数字激光传感器LS
激光检测,更贴近检测物体,使用更方便!
- 基本信息
- 产品种类
- 详细规格
- 产品尺寸
- 产品用途
- 可选件
激光检测,更贴近检测物体,使用更方便!
|
※1
|
※2
|
※3
|
※4
|
| ※1 | EMC指定适用 |
|---|---|
| ※2 | Recognition/C US认证 |
| ※3 | 符合标准(仅LS-H□F□) |
| ※4 | 认证通过(仅一部分型号) |
特点
使维护更简单的新型激光传感器LS-403新上市!
|
■可直接连接CC-Link对应通信单元SC-GU2-C
|
可通过SC-GU2-C进行CC-Link通信。将设备的出厂设定作为“设定文件”预先存储后,即使更换了传感器,也只需通过CC-Link写入即可实现通信。除LS-403以外,SC-GU2-C还可连接数字光纤传感器FX-501/502、FX-301/305。可统一进行数据通信。 |
|
|
■节省维护工时装备基准值追踪周期设定功能
|
为追踪长期的环境变化(灰尘等)引起的投光量变化,可按照任意周期确认入光量,并自动对基准值进行重新设定。从而有助于减少维护工时。 |
|
对应各种不同的用途,备有6种类型的激光检测头。
|
安装间距
|
检测头的安装间距为25.4mm,和小型光电传感器CX-400系列具有相同的行业标准。更换小型光电传感器为激光传感器时,亦可原封不动地使用安装支架。 |
|
简单易行的光点调整
|
在检测头的背面安装有光点调节器,因此可在观察光点的同时进行简单调整。另外,由于需要使用螺丝刀进行调整,因此可避免维修时的手动误操作。 |
|
设定简单·双重显示
|
2个开关,操作简便
操作开关仅有大型MODE按钮和大型突出开关2个。
|
省配线、省空间
|
采用ONE SHOT电缆可节省配线。 |
|
可从外部输入的电缆型
|
电缆型LS-401-C2配备外部输入电缆(5芯)。建议您在通过来自装置外部的输入进行教导、停止激光投光或将激光传感器作为单件产品使用时选择该型。 |
|
切实检测微差(M.G.S.功能)
|
进行近距离检测,或者检测透明体、微小物体时,能够调节传感器的受光灵敏度,从3档(U-LG时为4档)中选出的设定。而且,即使受光灵敏度发生了改变,传感器的反应时间也不会发生改变。 |
|
应差模式
|
通过调整应差,能够克服工件凹凸面的影响,从而进行稳定的检测。 |
|
窗口对比模式
|
设定两个基准值,以辨别规定范围以外的工件。 |
|
独立的2路输出模式
|
组合2路输出模式,可进行多种控制。适合弯曲检测。 |
|
差分检测模式
|
由于仅检测光量的急剧变化,因此能够切实检测玻璃等物体的边缘部分。适合工件的定位。 |
|
MODE NAVI定制功能
|
配备投光停止功能
|
当光点进入图像处理器的照射范围内时,可通过投光停止功能停止激光投光。 |
|
外部检测功能
|
装置内部设有激光传感器,从装置外部亦可进行检测。 |
|
设定状态一目了然(D-CODE)
|
放大器的设定状态以8位显示。便于远程的作业指示和监控。 |
|
种类
检测头
| 种类 | 形状 | 型号 | 适用标准 | 检测距离 | ||
|---|---|---|---|---|---|---|
|
同轴型 回归反射型 |
级 别 2 |
|
LS-H92 (注1) |
JIS/IEC/GB |
U-LG : 0.2~30m(注4) STD : 0.2~20m(注4) FAST : 0.2~10m(注4) H-SP : 0.2~10m(注4) |
|
|
LS-H92F (注2) |
FDA/IEC/JIS | |||||
|
LS-H91 (注1) |
JIS/IEC/GB |
U-LG : 0.1~7m(注4) STD : 0.1~5m(注4) FAST : 0.1~3m(注4) H-SP : 0.1~3m(注4) |
||||
|
LS-H91F (注2) |
FDA/IEC/JIS | |||||
|
级 别 1 |
LS-H91-A (注1) |
JIS/IEC/GB |
U-LG : 0.1~5m(注4) STD : 0.1~3m(注4) FAST : 0.1~1m(注4) H-SP : 0.1~1m(注4) |
|||
|
LS-H91F-A (注2) |
FDA/IEC/JIS | |||||
|
扩 散 反 射 型 |
长检测距离 光点反射型 |
级 别 2 |
|
LS-H21 (注1) |
JIS/IEC/GB |
U-LG : 30~1,000mm STD : 30~500mm FAST : 30~300mm H-SP : 30~300mm |
|
LS-H21F (注2) |
FDA/IEC/JIS | |||||
|
级 别 1 |
LS-H21-A (注1) |
JIS/IEC/GB |
U-LG : 30~500mm STD : 30~250mm FAST : 30~150mm H-SP : 30~150mm |
|||
|
LS-H21F-A (注2) |
FDA/IEC/JIS | |||||
|
长检测距离 线性反射型 |
级 别 2 |
|
LS-H22 (注1)(注3) |
JIS/IEC/GB |
U-LG : 30~1,000mm STD : 30~500mm FAST : 30~300mm H-SP : 30~300mm |
|
|
LS-H22F (注2)(注3) |
FDA/IEC/JIS | |||||
| 注意 | : | 由于需根据不同的安装方法选择不同的安装支架,因此本检测头不附带安装支架。请另行订购检测头安装支架。 |
|---|
| (注1): | 已取得韩国S标志的认证。 |
|---|---|
| (注2): | 依据第50号激光通告(2001.7.26),以FDA标准(21 CFR 1040.10)为准。 |
| (注3): |
LS-H22(F)是长检测距离光点反射型LS-H21(F)和线性反射用透镜附件LS-MR1的成套型号。 实际的产品型号为LS-H21(F)。 |
| (注4): | 检测距离为相对于反射镜RF-330[LS-H92(F)为RF-230]的数值。另外,检测距离表示反射镜的可设范围。亦可在0.1m[LS-H92(F)为0.2m]以下的距离检测物体。当靠近检测头的地方存在白纸、镜面体时,可能出现投光的反射入光的现象,敬请注意。此时,请利用放大器本体的M.G.S.功能变更反应时间和受光灵敏度后再使用。 |
5m电缆长度型
备有5m电缆长度型(标准:2m)。请在型号末尾加注“-C5”进行订购。
LS-H91-C5、LS-H91-A-C5、LS-H21-C5、LS-H22-C5
| 标准型 | 5m电缆长度型 |
|---|---|
| LS-H91 | LS-H91-C5 |
| LS-H91-A | LS-H91-A-C5 |
| LS-H21 | LS-H21-C5 |
| LS-H22 | LS-H22-C5 |
无反射镜型
LS-H91(F)、LS-H91(F)-A以及LS-H92(F)中备有不附带反射镜(RF-330或RF-230)的型号。
请在型号末尾加注“-Y”进行订购。
LS-H92-Y、LS-H92F-Y、LS-H91-Y、LS-H91F-Y、LS-H91-A-Y、LS-H91F-A-Y
| 标准型 | 无反射镜型 |
|---|---|
| LS-H92 | LS-H92-Y |
| LS-H92F | LS-H92F-Y |
| LS-H91 | LS-H91-Y |
| LS-H91F | LS-H91F-Y |
| LS-H91-A | LS-H91-A-Y |
| LS-H91F-A | LS-H91F-A-Y |
放大器
| 种类 | 形状 | 型号 | 输出 | 连接方式 | |
|---|---|---|---|---|---|
| 连接器型 |
|
LS-401 (注1) |
NPN开路集电极晶体管双输出 |
使用另售的ONE SHOT电缆(4芯) | |
| LS-401P | PNP开路集电极晶体管双输出 | ||||
|
带上位通信功能 (注2) |
LS-403 | NPN开路集电极晶体管双输出 | |||
|
电缆型 (带外部输入) |
|
LS-401-C2 (注1) |
NPN开路集电极晶体管双输出 | 附带2m橡皮电缆(5芯) | |
| LS-401P-C2 | PNP开路集电极晶体管双输出 | ||||
| (注1): | 已取得韩国S标志的认证。 |
|---|---|
| (注2): | 进行上位通信时,另行需要开放网络对应通信单元SC-GU3系列。 |
单触式电缆
连接器型放大器本体不附带单触式电缆。请务必另行购买单触式电缆。
| (注): |
从2013年3月开始生产的产品,单触式电缆的材质将更改为适应UL认证的材质(难燃性VW-1)。 ・導体公称断面積:0.15mm2→0.2mm2 ・铠装外径:ø3.0mm→ø3.3mm |
|---|
无线连接器
LS-403连接CC-Link对应通信单元SC-GU2-C时,请购买无线连接器。
| 品名 | 形状 | 型号 | 内容 |
|---|---|---|---|
| 无线连接器 |
|
CN-70 | LS-403连接CC-Link对应通信单元SC-GU2-C(注1)用单触式连接器。 |
| (注1): | 关于CC-Link对应通信单元SC-GU2-C的详细内容,请参考SC-GUC-2详细内容页面。 |
|---|
尾盘
放大器本体不附带尾盘。连接时请务必另行购买尾盘。
| 形状 | 型号 | 内容 |
|---|---|---|
|
MS-DIN-E |
连接放大器或在DIN导轨上移动放大器时,请从两端夹紧放大器,并将其固定。 连接时请务必使用。 |
附件
|
|
|
|||||||||
|
规格
| 种类 | 同轴型回归反射型 | |||
| 级别2 | 级别1 | |||
|
型 号 |
JIS/IEC/GB 适合类型 |
LS-H92 | LS-H91 | LS-H91-A |
|
FDA/IEC/JIS 适合类型(注2) |
LS-H92F | LS-H91F | LS-H91F-A | |
| 适合放大器 | LS-401(P)、LS-401(P)-C2、LS-403 | |||
|
检 测 距 离 |
LONG |
0.2〜30m (注3) |
0.1〜7m (注3) |
0.1〜5m (注3) |
| STD |
0.2〜20m (注3) |
0.1〜5m (注3) |
0.1〜3m (注3) |
|
| FAST |
0.2〜10m (注3) |
0.1〜3m (注3) |
0.1〜1m (注3) |
|
| H-SP | ||||
| 工作状态指示灯 | 橙色LED(放大器输出ON时亮起) | |||
| 激光投光指示灯 | 绿色LED(激光投光时亮起) | |||
| 光点调节器 | - | |||
|
环 境 性 能 |
保护构造 | IP40(IEC) | ||
| 使用环境温度 | -10~+55℃(注意不可结露、结冰),存储时:-20~+70℃ | |||
| 使用环境湿度 | 35~85%RH,存储时:35~85%RH | |||
| 使用环境照明度 | 白炽灯:受光面照明度3,000lx以下 | |||
| 耐电压 | AC1,000V 1分钟 所有电源连接端子与外壳之间 | |||
| 绝缘电阻 | 所有电源连接端子与外壳之间,20MΩ以上,基于DC250V的高阻表 | |||
| 耐振动 | 频率10~500Hz 双振幅1.5mm(MAX.10G) X,Y和Z方向各2小时 | |||
| 耐冲击 | 加速度100m/s2(约10G) X,Y和Z方向各3次 | |||
|
投 光 元 件 |
JIS/IEC/GB 适用类型 |
红色半导体激光 2级(JIS/IEC/GB) 最大输出:3mW 投光波峰波长:655nm |
红色半导体激光 2级(JIS/IEC/GB) 最大输出:1mW 投光波峰波长:655nm |
|
|
FDA/IEC/JIS 适用类型 (注2) |
红色半导体激光 2级(FDA/IEC/JIS) 最大输出:3mW 投光波峰波长:655nm |
红色半导体激光 2级(FDA/IEC/JIS) 最大输出:1mW 投光波峰波长:655nm |
||
| 材质 | 外壳:PBT(安装部:PEI)、透镜罩:丙烯 | |||
| 电缆 | 0.1mm2 单芯平行双线屏蔽电缆,长2m(带放大器连接器)(注4) | |||
| 重量 |
本体重量:约30g 包装重量:约40g |
本体重量:约30g 包装重量:约45g |
||
| 附件 |
RF-230(反射镜):1个 警告标签:1套(根据标准要求,同时随附日语、英语和汉语各一张。) |
RF-230(反射镜):1个 警告标签:1套(根据标准要求,同时随附日语、英语和汉语各一张。) |
RF-230(反射镜):1个 说明标签:1套(根据标准要求,同时随附日语、汉语各一张。) |
|
(注1):无指定时的测量条件为使用环境温度=+23℃。
(注2):依据第50号激光通告(2001.7.26),以FDA标准(21 CFR 1040.10)为准。
(注3):检测距离为相对于反射镜RF-330[LS-H92(F)为RF-230]的数值。另外,检测距离表示反射镜的可设范围。亦可在0.1m[LS-H92(F)为0.2m]以下的距离检测物体。
同轴型回归反射型在近距离检测理论上的镜面体或光线容易扩散的物体时,可能会因发生偏光的光线不稳定而导致无法检测。
此时请采取以下措施。
措施
·利用放大器的M.G.S.功能降低受光灵敏度值。
·变更反应时间。
·使检测头远离检测物体。
(注4):电缆不可延长。
| 种类 | 扩散反射型 | |||
| 长检测距离光点反射型 |
长检测距离 线性反射型 |
|||
| 级别2 | 级别1 | |||
|
型 号 |
JIS/IEC/GB 适用类型 |
LS-H21 | LS-H21-A |
LS-H22 (注3) |
|
FDA/IEC/JIS 适用类型 (注2) |
LS-H21F | LS-H21F-A |
LS-H22F (注3) |
|
| 适用放大器 | LS-401(P)、LS-401(P)-C2、LS-403 | |||
|
检 测 距 离 |
LONG | 30〜1,000mm | 30〜500mm | 30〜1,000mm |
| STD | 30〜500mm | 30〜250mm | 30〜500mm | |
| FAST | 30〜300mm | 30〜150mm | 30〜300mm | |
| H-SP | ||||
| 工作状态指示灯 | 橙色LED(放大器输出ON时亮起) | |||
| 激光透光指示灯 | 绿色LED(激光投光时亮起) | |||
| 光电调节器 | 配备多圈调节器 | |||
|
环 境 性 能 |
保护构造 | IP40(IEC) | ||
| 使用环境温度 | -10~+55℃(注意不可结露、结冰),存储时:-20~+70℃ | |||
| 使用环境湿度 | 35~85%RH,存储时:35~85%RH | |||
| 使用环境照明度 | 白炽灯:受光面照明度3,000lx以下 | |||
| 耐电压 | AC1,000V 1分钟 所有电源连接端子与外壳之间 | |||
| 绝缘电阻 | 所有电源连接端子与外壳之间,20MΩ以上,基于DC250V的高阻表 | |||
| 耐振动 | 频率10~500Hz 双振幅1.5mm(MAX.10G) X,Y和Z方向各2小时 | |||
| 耐冲击 | 加速度100m/s2(约10G) X,Y和Z方向各3次 | |||
|
投 光 元 件 |
JIS/IEC/GB 适用类型 |
红色半导体激光 2级(JIS/IEC/GB) 最大输出:3mW 投光波峰波长:655nm |
红色半导体激光 1级(JIS/IEC/GB) 最大输出:1mW 投光波峰波长:655nm |
红色半导体激光 2级(JIS/IEC/GB) 最大输出:3mW 投光波峰波长:655nm |
|
FDA/IEC/JIS 适用类型 (注2) |
红色半导体激光 2级(JIS/IEC/GB) 最大输出:3mW 投光波峰波长:655nm |
红色半导体激光 1级(JIS/IEC/GB) 最大输出:1mW 投光波峰波长:655nm |
红色半导体激光 2级(JIS/IEC/GB) 最大输出:3mW 投光波峰波长:655nm |
|
| 材质 | 外壳:PBT(安装部:PEI)、透镜罩:丙烯 | |||
| 电缆 | 0.1mm2 单芯平行双线屏蔽电缆,长2m(带放大器连接器)(注4) | |||
| 重量 |
本体重量:约30g 包装重量:约40g |
本体重量:约35g 包装重量:约45g |
||
| 附件 |
警告标签:1套 (根据标准要求,同时随附日语、英语和汉语各一张。) |
说明标签:1套 (根据标准要求,同时随附日语、汉语各一张。) |
LS-MR1(线性反射用透镜附件) :1个 警告标签:1套(根据标准要求,同时随附日语、英语和汉语各一张。) |
|
(注1):无指定时的测量条件为使用环境温度=+23℃。
(注2):依据第50号激光通告(2001.7.26),以FDA标准(21 CFR 1040.10)为准。
(注3):LS-H22(F)是长检测距离光点反射型LS-H21(F)和线性反射用透镜附件LS-MR1的成套型号。实际的产品型号为LS-H21(F)。
(注4):电缆不可延长。
| 种类 | 连接器型 | 电缆型 | ||
| 带上位通信功能 | ||||
|
型 号 |
NPN输出 | LS-401 | LS-403 | LS-401-C2 |
| PNP输出 | LS-401P | - | LS-401P-C2 | |
| 电源电压 | 12~24V DC±10% 脉动P-P10%以下 | |||
| 功耗 | 通常工作时:950mW以下(电源电压24V时,消耗电流40mA以下),ECO模式下:780mW以下(电源电压24V时,消耗电流33mA以下) | |||
|
输出 (输出1、输出2) |
NPN开路集电极晶体管 ・最大流入电流:100mA(LS-403为50mA)(注2) ・·外加电压:30V DC以下(输出和0V之间) ・剩余电压:1.5V以下[流入电流为100mA(LS-403为50mA)(注2)] PNP开路集电极晶体管 ・最大源电流:100mA(注2) ・外加电压:30V DC以下(输出和+V之间) ・剩余电压:1.5V以下[源电流为100mA(注2)] |
|||
| 输出动作 | 可用突出开关选择入光时ON/非入光时ON短 | |||
| 短路保护 | 配备 | |||
| 反应时间 | 80μs以下(H-SP)、150μs以下(FAST)、500μs以下(STD)、4ms以下(U-LG) 可用突出开关选择 | |||
|
外部输入 (投光停止 全自动教导/限定教导) |
- |
NPN无触点输入 ・信号条件:High … +5V~+V或断开 Low … 0~+2V(源电流0.5mA以下) ・输入阻抗:约10kΩ PNP无触点输入 ・信号条件:High … +4V~+V(流入电流3mA以下) Low … 0~+0.6V或断开 ・输入阻抗:约10kΩ |
||
| 工作状态指示灯 | 橙色LED(输出1、2 ON时亮起) | |||
| 激光投光指示灯 | 绿色LED(激光投光时亮起) | |||
| Select指示灯 | 黄色LED(选择输出1、2时亮起) | |||
| MODE指示灯 | RUN :绿色LED、TEACH·L/D·TIMER·CUST·PRO :黄色LED | |||
| 数字显示 | 4位(绿色)+4位(红色) LED显示 | |||
| 灵敏度设定方法 |
通常模式:2点教导/限定教导/全自动教导/手动调节 窗口对比模式:教导(1点、2点、3点)/手动调节 应差模式:教导(1点、2点、3点)/手动调节 微分模式:LS-401□为5步设定,LS-403为8步设定 |
|||
| 设定灵敏度微调功能 | 配备 | |||
| 定时器功能 | 配备有可变接通延迟定时器/断开延迟定时器/ONE SHOT定时器 有效/无效切换式 | |||
| 定时器时间 | 约1〜9,999ms | 约0.5ms、1〜9,999ms | 约1〜9,999ms | |
| 自动防干扰功能 | 装备[最多可贴近安装4台检测头(但是LS-401□在H-SP模式下无效,LS-403在H-SP模式下最多可安装2台检测头)] | |||
|
环 境 性 能 |
使用环境温度 | -10~+55℃(4~7台贴近安装时:-10~+50℃、8~16台贴近安装时:-10~+45℃)(注意不可结露、结冰)、存储时:-20~+70℃ | ||
| 使用环境湿度 | 35~85%RH,存储时:35~85%RH | |||
| 耐电压 | AC1,000V 1分钟 所有电源连接端子与外壳之间 | |||
| 绝缘电阻 | 所有电源连接端子与外壳之间,20MΩ以上,基于DC250V的高阻表 | |||
| 耐振动 | 频率10~150Hz 双振幅0.75mm X,Y和Z方向各2小时 | |||
| 耐冲击 | 加速度98m/s2(约10G) X,Y和Z方向各5次 | |||
| 材质 | 本体外壳:耐热ABS,外罩:聚碳酸酯,按钮开关:丙烯,突出开关:ABS | |||
| 电缆 | - (注4) | 0.15mm2 5芯橡皮电缆,长2m | ||
| 电缆延长 | 0.3mm2 以上的电缆全长可延长至100m | |||
| 重量 | 本体重量:约15g,包装重量:约20g | 本体重量:约65g,包装重量:约75g | ||
(注1):无指定时的测量条件为使用环境温度=+23℃。
(注2):串联连接5~8个LS-401(P)时为50mA,串联连接9~16个时为25mA。
(注3):串联连接5~16个LS-403时为25mA。
(注4): 连接器型不附带电缆。请务必另行购买ONE SHOT电缆。
将LS-403连接至CC-Link对应通信单元SC-GU2-C时,请购买无线连接器。
母电缆(4芯):CN-74-C1(电缆长1m)、CN-74-C2(电缆长2m)、CN-74-C5(电缆长5m)
子电缆(2芯):CN-72-C1(电缆长1m)、CN-72-C2(电缆长2m)、CN-72-C5(电缆长5m)
无线连接器:CN-70
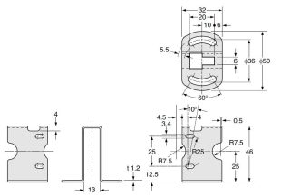
尺寸图
- 单位mm
LS-H91(-A)
LS-H91F(-A)
检测头
|
LS-H92
LS-H92F
检测头
|
LS-H21(-A)
LS-H21F(-A)
检测头
|
LS-H22
LS-H22F
检测头
|
LS-401 LS-401P
LS-403
放大器
|
LS-401-C2
LS-401P-C2
放大器
|
MS-DIN-E
尾盘(另售)
|
CN-74-C1 CN-74-C2
CN-74-C5
母电缆(另售)
|
CN-72-C1 CN-72-C2
CN-72-C5
子电缆(另售)
|
RF-230
反射镜[LS-H92(F)上附带]
|
RF-330
反射镜(LS-H91上附带)
|
RF-310
反射带(另售)
|
RF-33
RF-31
反射带(另售)
|
MS-DIN-2
放大器安装支架(另售)
|
MS-CX-1
检测头安装支架(另售)
|
MS-CX-2
检测头安装支架(另售)
|
MS-CX-3
检测头安装支架(另售)
|
MS-CX-4
检测头安装支架(另售)
|
MS-RF23
|
|
用途
|
|
|
可选件
| 品名 | 型号 | 内容 | ||
|---|---|---|---|---|
|
检测头 安装支架 |
MS-CX-1 | 立式安装支架 | ||
| MS-CX-2 |
横向安装支架 可进行平面安装,不会因支架高度带来不便。 |
|||
| MS-CX-3 | 倒装式安装支架 | |||
| MS-CX-4 |
保护性安装支架 保护传感器免受因冲撞而引起的光轴偏差的影响。 |
|||
| 光軸微调支架 | MS-CX-11 |
是在安装了检测头之后,可对光轴进行微调的安装支架。 调整角度:上下・左右 各4° 安装方向:纵向、横向均可 |
||
|
通用传感器 安装支架 (注1) |
MS-AJ1 | 水平安装型 | 基本装配 | |
| MS-AJ2 | 垂直安装型 | |||
| MS-AJ1-A | 水平安装型 | 侧壁装配 | ||
| MS-AJ2-A | 垂直安装型 | |||
| 放大器安装支架 | MS-DIN-2 | 放大器专用的安装支架。 | ||
| 反射镜安装支架 | MS-RF23 | 是用于RF-230的安装支架。 | ||
| 放大器保护封条 | FX-MB1 |
2个交流窗用密封垫和1个连接器用封条:10套 交流窗用密封垫: 防止从一个放大器上传输信号造成的 动作异常及对另一个放大器的影响。 连接器用封条: 带有ONE SHOT电缆针,防止任何 金属等的接触。 |
||
| 反射镜 | RF-310 |
用于同轴型回归反射型。 是小型规格的反射镜。 |
检测距离(U-LG) ・LS-H91(F): 0.1~7m ・LS-H91(F)-A: 0.1~5m |
|
| 反射带 | RF-33 |
用于同轴型回归反射型。 规格:25.2×27.8×t0.4mm |
||
| RF-31 |
用于同轴型回归反射型。 规格:9.2×9.2×t0.4mm |
|||
|
数据库通道切换单元 (注2) |
FX-CH | NPN输入型 | 可通过外部信号,一举切换最多16台激光传感器的数据库通道。 | |
| FX-CH-P | PNP输入型 | |||
| (注1): | 关于通用传感器安装支架的具体内容,请参考MS-AJ系列页面。 |
|---|---|
| (注2): | 关于数据库通道切换单元详细内容,请参考FX-CH页面。 |
检测头安装支架
|
|
|
|||||||||
|
|
|
|
|||||||||
|
|
通用传感器安装支架
|
|
|
|||||||||
|
反射镜
|
反射带
|
|























科恩电气
科恩众和